CLICK HERE TO GET INPUT FILE: RaleInput_015

How to design a 50kHz, 240W
resonance transformer for an LLC converter

Typical application schemas  of a resonance transformer

 

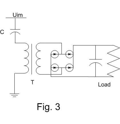
3 typical application schemas of the resonance transformers are shown in the pictures Fig 1, Fig 2 and Fig 3.

In the Fig. 1  is shown an AC-AC converter with the resonance transformer.

The Fig. 2 shows an AC-DC converter for very low DC-output voltage.

The most used AC-DC converter with the resonance transformer is shown in the Fig. 3.

The input voltage Uin is normally created by PWM . The capacitor C and the main inductance Lt of the resonance transformer T are in the resonance at first harmonic of the input voltage Uin.

The output current is “impressed”. Its value depends only on the value of the input voltage Uin and the capacitor C. Due to this fact, in the application with more secondary windings, the current distribution depends only on the load impedance and can not be controlled.

 

 

Electrical  schema and design parameters

In the Fig. 4 are all relevant electrical parameters of a schema with the resonance transformers. Due to the fact that the leaking inductance L1 can be included into the impedance Xc and the inductance L2 into the load impedance Z the Electrical schema can be simplified to the schema in the Fig. 5.

 

The parameters in the Fig. 5 are calculated as follows:

ω = 2πf
Xc = L1ω – 1/Cω
XL =jLω
Ż = Żload + jL2ω

where f is the main frequency of the input voltage Uin.

Note , if L1  is not big enough to be in resonance with the capacitor C at a frequency between the 3. and 5. voltage harmonic then an additional choke has to be used.

Using the first harmonic of the input voltage Uin1 you can calculate:

Uin1 jXL/(jXL – jXc)= I  (Ż – jXL jXc/(jXL – jXc))

In the resonance operation mode of the capacitor C and the main transformer inductance L (Xc = XL)  the load current depends only on the input voltage U1n and the capacitor C: It does not depend on the load impedance. The output current is constantis (impressed in the resonance operation mose ONLY. Note that the resonance would be broken  in core saturation.

I = j Uin1/ Xc
and
Ů = jUin1 Ż/Xc

In a resonance transformer the magnetizing current is much higher than in a “normal” transformer and  the material investment in the primary winding must be  higher than in the secondary winding. Due to this fact it is recommended to wind the primary winding “outside”, over the secondary winding.

The main inductance L is normally prescribed and it has to be calibrated using gapped core.
The primary magnetizing current IL can be calculated as follows:

Uin1 Ż/(Ż – jXc)= IL  (jXL -ŻjXc/(Ż – jXc))

For the resonance condition Xc = XL The value for the primary magnetizing current is:

IL =  Uin1 Ż/Xc/XL and

IL =  -jŮ/XL =- jŮ/Xc

So you can calculate the ratio between the primary magnetizing current and the primary load current:

IL/I = U/Uin1

 

Technical specifications of the 1200W  resonance transformer

Schema
Min. input voltage  Uin1
Transformer Input voltage U

Current I
No load current IL

Xc = XL
Frequency f

Fig. 3
240V, sine wave
120V, sine wave
1.875Aac
0.5 I = 0.93Aac

Uin1/I =128 Ohm
50kHz

   
Nominal output voltage
Nominal output current
Secondary voltage
Secondary current
24Vdc
10Adc
25Vac
9Aac
   
   
   

Ambient temperature
Temperature rise

40°C
60°K

Finally here are the inputs and the results of the resonance transformer:

To obtain the results  and to print them click on the following link.

 

Once again, the output current of the resonance transformers is “impressed”. It has approximately the sine wave form. The rectifier with the RC load is a non-linear load. Therefore the secondary voltage (and the primary voltage, too) has the rectangular voltage form.
The secondary circuit 11 or 31 is a good simulation of this operation mode with rectangular secondary voltage and the sine wave current.

Due to the fact that you can not prescribe the main inductance you have to manipulate the size of the gaps in the core in order to get the prescribed transformer main inductance XL = 128 Ohms . Gap = 9 means that you will need to sat all 3 gaps in the ETD core at
approx. 9 x 0.025mm = 0.225mm. Note that the gaps must be calibrated in order to get the prescribed main inductance .

With PS-Order = 2 primary winding is wound over the secondary winding because the ampere-turns of the primary windings are ca. 15% bigger.

In order to limit the number of the parallel connected round wires the eddy-current factor RacRdc is set to 2.